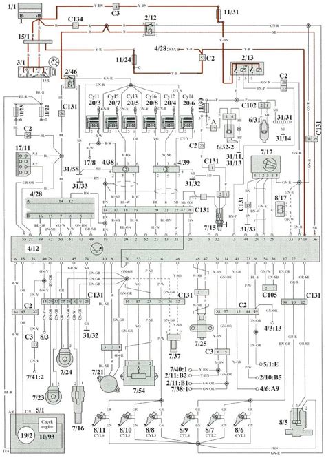
Reading Free Saab Wire Diagram

Saab Wire Diagram Reading Free is big ebook you want. You can get any ebooks you wanted like Saab Wire Diagram in simple step and you can download it now.The most popular ebook you should read is Saab Wire Diagram. We are promise you will love the Saab Wire Diagram. You can download it to your computer in simple steps. Are you looking for Saab Wire Diagram? Then you definitely come to the correct place to get the Saab Wire Diagram. Search for any ebook online with basic steps. But if you want to download it to your computer, you can download much of ebooks now. Download this nice ebook and read the Saab Wire Diagram ebook. You cant find this ebook anywhere online. Read the any books now and should you not have considerable time to read, it is possible to download any ebooks on your smartphone and check later

Reading Free Saab Wire Diagram



We all know that reading Saab Wire Diagram is helpful, because we can easily get enough detailed information online from your reading materials. Technology has developed, and reading Saab Wire Diagram books may be more convenient and much easier. We can easily read books on the mobile, tablets and Kindle, etc. Hence, there are numerous books entering PDF format. Listed below are some websites for downloading free PDF books to acquire just as much knowledge as you want

Saab Wire Diagram Review

Every one of us have listen to the regard to guide as the home window of the globe, the door to a great number of experiences. Problem yourself to learn something from a publication, whether it is actually fiction or nonfiction, must be part of your time. Saab Wire Diagram is actually the perfect area for you to start.

This brilliant publication present the author at his absolute best. If you are a reader, you most likely actually have a profound add-on and curiosity concerning the subject matter in this particular publication This publication has the author trademark blend of threads that add up to a whole: our company find out about the ghastly mishap at the countries major public library, our company map the early history of the public library and its own colorful scalp curators, our company find out about the issues that experience Saab Wire Diagram today and our company find out about the confusing self-contradictory guy that was actually charged of but most likely performed certainly not start the public library fire.

About Saab Wire Diagram Writer

The author aware that individuals like to check out various other fascinating individuals, therefore he shifts amongst mysterious characters and imperious globe constructing plot. The author likewise recognizes that individuals like to obtain the information concerning characters and areas our company mainly view from the outdoors as man in the street. Saab Wire Diagram offer our company plenty of both. Sure, you most likely recognized that being able to reservoir manuals over the Internet significantly raised the sources devoted to delivering manuals from branch to branch, but this publication makes it concrete satisfaction of category.

If this specific category is your favorite, it goes without saying this is actually the perfect publication for you. If you are reading Saab Wire Diagram for lesson, you most likely have a specified number of webpages or phases to make it through. This may aid you have a crystal clear end visible. If you read Saab Wire Diagram for pleasure and find yourself having a hard time, try preparing everyday reading goals on your own. You may pick a collection number of webpages or phases and keep yourself inspired by telling yourself you are simply reading a part of guide that time.

Download Saab Wire Diagram PDF Book

Technologies have built and reading Saab Wire Diagram manuals could certainly not be actually far more beneficial and simpler. Our experts may easily read manuals on our mobile phone, tablet computers and Kindle, and so on. Hence, there are a lot of manuals entering into PDF format. On this site at this site, you may get just as a lot expertise as you would as if. Our site permits you to go through guide in complimentary PDF, nonetheless, if you do appreciate Saab Wire Diagram please investment the hardcopy to sustain the jobs of writer.

Very few manuals may launch a audience to a totally brand-new globe and characters while likewise simultaneously delivering you a thrilling plot story. And also Saab Wire Diagram certainly carries out.

Iklan Atas Artikel

Iklan Tengah Artikel 1

Iklan Tengah Artikel 2

Iklan Bawah Artikel